1. Tujuan
- Mengetahui definisi logika PMOS dan NMOS
- Mengetahui karakteristik dan perbedaan PMOS dan NMOS
2. Alat dan Bahan
I. Alat
a. Power Supply
Power Supply atau dalam bahasa Indonesia disebut dengan Catu Daya adalah suatu alat listrik yang dapat menyediakan energi listrik untuk perangkat listrik ataupun elektronika lainnya.
b. PMOSFET
PMOS atau PMOS logika (dari P-channel metal-oxcide semiconductor ) adalah keluarga dari rangkaian digital berdasarkan p-channel , modus perangkat logam oksida semikonduktor transistor efek medan (MOSFET).
c. NMOS
Logika nMOS adalah gerbang logika yang menggunakan transistor
efek medan semikonduktor oksida logam (MOSFET) untuk membentuk fungsi
gerbang logika dan sirkuit digital lainnya.
MOSFET tipe-n disusun dalam bentuk "jaringan pull-down" (PDN) di antara
keluaran gerbang logika dan tegangan catu negatif, dimana sebuah
resistor diletakkan di antara keluaran gerbang logika dan tegangan catu
postif. Sirkuit didesain sedemikian rupa sehingga jika keluaran adalah
rendah (logika 0), sirkuit PDN akan aktif, membuat jalan arus antara
catu negatif dengan keluaran.
d. Ground
Ground adalah suatu system instalasi listrik yang bisa meniadakan beda potensial sebagai pelepasan muatan listrik berlebih pada suatu instalasi listrik dengan cara mengalirkannya ke tanah.
3. Dasar Teori
Logika PMOS
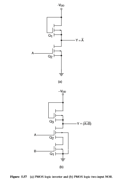
Keluarga logika PMOS menggunakan MOSFET saluran-P. Gambar 5.57 (a) menunjukkan rangkaian inverter menggunakan logika PMOS. MOSFET Q1 bertindak sebagai beban aktif untuk sakelar MOSFET Q2. Untuk rangkaian yang ditunjukkan, GND dan −VDD masing-masing mewakili logika '1' dan logika '0' untuk sistem logika positif. Ketika input di-ground (yaitu logika '1'), Q2 tetap dalam cut-off dan −VDD muncul pada output melalui Q1. Ketika input berada pada −VDD atau dekat −VDD, Q2 berjalan dan output mendekati potensial nol (yaitu logika '1').
Gambar 5.57 (b) menunjukkan gerbang NOR dua input berbasis logika PMOS. Dalam susunan logika pada Gambar 5.57 (b), output beralih ke status logika '1' (yaitu potensial tanah) hanya ketika Q1 dan Q2 berjalan. Ini hanya mungkin jika kedua input berada dalam status logika '0'. Untuk semua kombinasi masukan lain yang mungkin, keluaran berada dalam status logika '0', karena, dengan Q1 atau Q2 nonkonduktor, keluarannya hampir -VDD melalui Q3 konduksi.
Sirkuit pada Gambar 5.57 (b) berperilaku seperti gerbang NOR dua masukan dalam logika positif. Dapat disebutkan di sini bahwa MOSFET yang digunakan sebagai beban [Q1 pada Gambar 5.57 (a) dan Q3 pada Gambar 5.57 (b)] dirancang sedemikian rupa sehingga memiliki resistansi ON yang jauh lebih besar daripada total ON- resistansi dari MOSFET yang digunakan sebagai sakelar [Q2 pada Gambar 5.57 (a) dan Q1 dan Q2 pada Gambar. 5.57 (b)].
Logika NMOSKeluarga logika NMOS menggunakan MOSFET N-channel. Perangkat MOS saluran-N memerlukan area chip yang lebih kecil per transistor dibandingkan dengan perangkat saluran-P, sehingga logika NMOS menawarkan kepadatan yang lebih tinggi. Juga, karena mobilitas pembawa muatan yang lebih besar di perangkat saluran-N, keluarga logika NMOS juga menawarkan kecepatan yang lebih tinggi. Karena alasan inilah sebagian besar perangkat memori dan mikroprosesor MOS menggunakan logika NMOS atau beberapa variasinya seperti VMOS, DMOS dan HMOS. VMOS, DMOS dan HMOS hanyalah variasi struktural dari NMOS, yang bertujuan untuk lebih mengurangi penundaan propagasi. Gambar 5.58 (a), (b) dan (c) masing-masing menunjukkan inverter, NOR dua masukan dan NAND dua masukan menggunakan logika NMOS. Sirkuit logika sudah cukup jelas.
4. Percobaan 4.1 Prosedur Percobaan
- Gunakan softeware Proteus/Multisim
- Persiapkan alat dan bahan (komponen)
- Rancang rangkaian seperti pada gambar
- Jalankan rangkaian
- Analisa apa yang terjadi
4.2 Gambar Rangkaian
| Figure 5.57 (a) PMOS logic inverter and (b) PMOS logic two-input NOR. |
| Figure 5.58 (a) NMOS logic circuit inverter, (b) NMOS logic two-input NOR and (c) NMOS logic two-input NAND. |
4.3 Prinsip Kerja Rangkaian
Figure 5.57
Gambar 5.57 (a) menunjukkan rangkaian inverter menggunakan logika PMOS.
MOSFET Q1 bertindak sebagai beban aktif untuk sakelar MOSFET Q2. Untuk
rangkaian yang ditunjukkan, GND dan −VDD masing-masing mewakili logika '1' dan
logika '0' untuk sistem logika positif. Ketika input di-ground (yaitu logika '1'), Q2
tetap dalam cut-off dan −VDD muncul pada output melalui Q1. Ketika
input berada pada −VDD atau dekat −VDD, Q2 berjalan dan output mendekati
potensial nol (yaitu logika '1').
Gambar 5.57 (b) menunjukkan gerbang NOR dua
input berbasis logika PMOS. Dalam susunan logika pada Gambar 5.57 (b), output
beralih ke status logika '1' (yaitu potensial tanah) hanya ketika Q1 dan Q2
berjalan. Ini hanya mungkin jika kedua input berada dalam status logika '0'.
Untuk semua kombinasi masukan lain yang mungkin, keluaran berada dalam status
logika '0', karena, dengan Q1 atau Q2 nonkonduktor, keluarannya hampir -VDD
melalui Q3 konduksi.
Figure 5.58
Gambar 5.58 (a), (b) dan (c) masing-masing menunjukkan inverter, NOR dua masukan dan NAND dua masukan menggunakan logika NMOS. Ketika logicstate berlogika 1, maka outputny adalah 0, begitu sebaliknya. Hal tersebut berlaku untuk ketiga rangkaian.
4.4 Video Simulasi
Figure 5.57
Figure 5.58
5. Download File
File HTML - Download
File Rangkaian gambar 5.57 - Download
File Rangkaian gambar 5.58 - Download
File Video gambar 5.57 - Download
File Video gambar 5.58 - Download





Tidak ada komentar:
Posting Komentar